PD194Z-9E3多回路電力儀表江蘇斯菲爾新品

PD194Z-9E3多回路電力儀表可測量3個三相回路或9個單相回路的電壓、電流、電能等電力參數,并具有數字通信、開關狀態監測、越限報警等功能,是一種高性價比的多功能電力儀表;儀表采用外置電流互感器接入,有兩種尺寸規格可選擇。

PD194Z-9E3多回路電力儀表江蘇斯菲爾新品
型 號 功 能 | PD194Z-9E3 | |
準確度 | 電流、電壓 | 0.2% |
功率 | 0.5% | |
有功電能 | 1級 | |
無功電能 | 2級 | |
實時測量 | 電壓 | √ |
電流 | √ | |
功率 | √ | |
功率因數 | √ | |
頻率 | √ | |
電能計量 | 雙向電能 | √ |
電能脈沖輸出 | 1 | |
開關量輸入 | 4路 | |
繼電器輸出 | 1路 | |
通信接口 | 1路 | |
顯示方式 | LCD | |

江蘇斯菲爾新品
參 數 | 規 格 | |||
精度等級 | U、I:0.2級, P、Q、PF:0.5級 有功電能:1級,無功電能:2級 | |||
顯示方式 | LCD顯示 | |||
信 號 輸 入 | 電 壓 | 額定值 | 三相AC 3×220/380V或 單相 AC 220V | |
過負荷 | 持續:1.2倍,瞬時:2倍/1min | |||
功 耗 | <0.1VA(每相) | |||
阻 抗 | >1MΩ | |||
電 流 | 額定值 | 外置電流互感器5(100)A/2.5mA | ||
過負荷 | 持續:1.2倍, 瞬時:10倍/5s | |||
功 耗 | <0.2VA(每相) | |||
阻 抗 | <20mΩ | |||
頻 率 | 50±5% / 60±5% Hz,精度:±0.02Hz | |||
電 源 | 工作范圍 | AC、DC:80V~270V | ||
功 耗 | <5VA | |||
通信接口 | RS-485,MODBUS-RTU協議,通信速率zui高至9600bps | |||
開關量輸入 | 4路開關量輸入,干結點方式 | |||
繼電器輸出 | 1路,AC250V/5A,DC30V/5A | |||
工作環境 | -25~70℃,≤93%RH,海拔高度≤2500m | |||
儲存環境 | -40~85℃,相對濕度≤93% | |||
防護等級 | IP64 | |||
安 全 | 絕 緣 | 信號、電源、輸出端子對殼電阻>100MΩ | ||
耐 壓 | 電源和輸入、輸出>2kV,輸入和輸出>1kV, | |||
| ||||


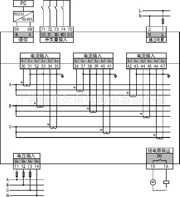
三相負載接線圖

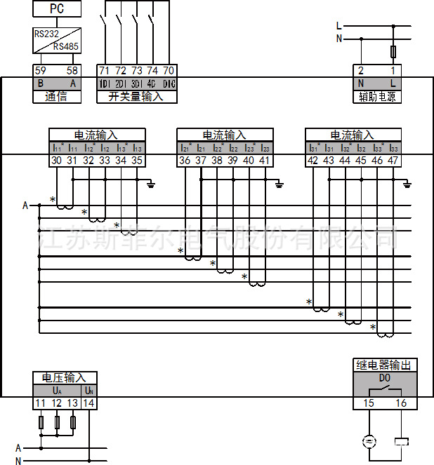
單相負載接線圖









所有評論僅代表網友意見,與本站立場無關。